Продажа ЖБИ в Нахабино и Московской области
+7 (495) 118-92-43
Ежедневно: 8:00 - 21:00
0 0

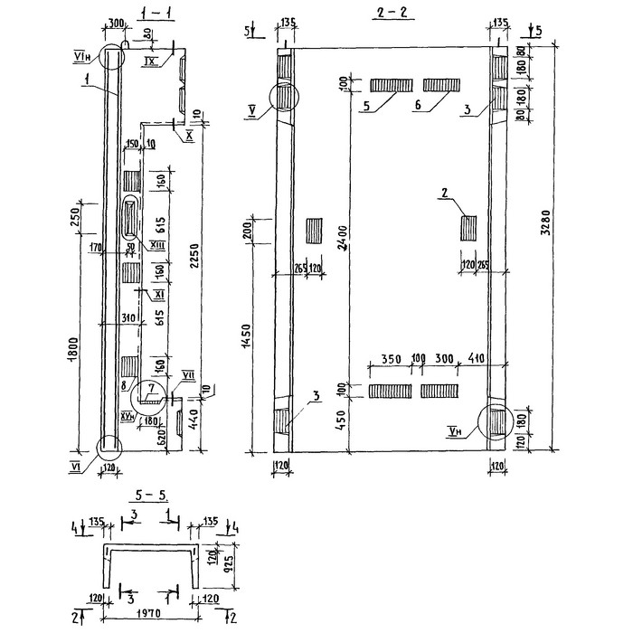
БШЛ 63б-33-2 б

Yandex.Market
  • В наличии 159 шт
    В среднем на нашем предприятии производится от 100 до 500 ЖБИ изделий в день.
  • Контроль качества на каждом этапе
    Строгое соблюдение пропорций ЖБИ изделий на предприятии является для нас очень важным аспектом.
  • Производство от 1 дня
Цена за:
22720 ₽

БШЛ 63б-33-2 б - это блок лифтов, предназначенный для использования в строительстве зданий и сооружений. Изготовлен из высококачественных материалов, блок обладает прочной конструкцией и долгим сроком службы. Имеет стандартные размеры и вес, что облегчает его установку и транспортировку. Благодаря своей надежности и прочности, данный блок лифтов является отличным выбором для различных строительных проектов.

БШЛ 63б-33-2 б применяется в строительстве жилых и коммерческих зданий, а также в инфраструктурных проектах. Он используется для подъема и перемещения строительных материалов, оборудования и рабочих на различные этажи здания. Блок лифтов обеспечивает безопасную и эффективную работу на строительной площадке, ускоряя процесс строительства и улучшая его качество.

Категория Блоки лифтов
Ширина, мм 1100
Объём, м3 1.810
Масса, т 4.51
Высота, мм 3280
Длина, мм 2970
ГОСТ Серия 1.089.1-1
Единица измерения шт.
Способ доставки MAX длина груза, м Стоимость доставки
Машина - до 1,5 тн до 18 м3 4 от 2 200 ₽
Машина - до 2,5 тн до 32 м3 6 от 3 000 ₽
Машина - до 5 тн до 35 м3 6 от 4 000 ₽
Машина - до 10 тн до 37 м3 8 от 6 000 ₽
Машина - до 20 тн до 80 м3 13,5 от 10 500 ₽
Манипулятор до 5 тн 6 от 7 000 ₽
Манипулятор до 10 тн 8 от 13 000 ₽
Манипулятор до 20 тн 14 от 16 000 ₽
Наименование Характеристики Цена
Блок шахты лифта бетонный БШЛ 50Гр-36-4

Длина, мм : 1970

Ширина, мм : 925

Высота, мм : 3580

16 215
Блок шахты лифта бетонный БШЛ 100-30 п-4 б

Длина, мм : 2820

Ширина, мм : 1050

Высота, мм : 2980

13 180
БШЛ 100-33 п-1

Длина, мм : 2820

Ширина, мм : 1050

Высота, мм : 3280

21 710
Блок шахты лифта бетонный БШЛ 100-12 п-3

Длина, мм : 2820

Ширина, мм : 1050

Высота, мм : 1180

8 960
Блок шахты лифта бетонный БШЛ 100-12 п-5 б

Длина, мм : 2820

Ширина, мм : 1050

Высота, мм : 1180

8 960
БШЛ 100Гр-30-4

Длина, мм : 2470

Ширина, мм : 1175

Высота, мм : 2980

21 080
Блок шахты лифта бетонный БШЛ 100Гр-33-4

Длина, мм : 2470

Ширина, мм : 1175

Высота, мм : 3280

17 790
Блок шахты лифта бетонный БШЛ 50-12-1

Длина, мм : 2270

Ширина, мм : 1000

Высота, мм : 1180

7 770
БШЛ 50-42-1

Длина, мм : 2270

Ширина, мм : 1000

Высота, мм : 4180

24 600
Блок шахты лифта бетонный БШЛ 100-42-2

Длина, мм : 2420

Ширина, мм : 1250

Высота, мм : 4180

29 915
БШЛ 100-36 п-2

Длина, мм : 2820

Ширина, мм : 1050

Высота, мм : 3580

23 850
БШЛ 50гр-42-3

Длина, мм : 1970

Ширина, мм : 925

Высота, мм : 4180

20 210
БШЛ 50Грб-33-2

Длина, мм : 2470

Ширина, мм : 1175

Высота, мм : 3280

20 330
Блок шахты лифта бетонный БШЛ 50б-42-2

Длина, мм : 2970

Ширина, мм : 1100

Высота, мм : 4180

30 580
БШЛ 50б-36-3

Длина, мм : 2970

Ширина, мм : 1100

Высота, мм : 3580

22 340
Блок шахты лифта бетонный БШЛ 63-30-2

Длина, мм : 2270

Ширина, мм : 1000

Высота, мм : 2980

17 525
Блок шахты лифта бетонный БШЛ 63-33-2

Длина, мм : 2270

Ширина, мм : 1000

Высота, мм : 3280

19 500
Блок шахты лифта бетонный БШЛ 100-30-3 б

Длина, мм : 2270

Ширина, мм : 1300

Высота, мм : 2980

20 035
БШЛ 100-36 п-2 б

Длина, мм : 2820

Ширина, мм : 1050

Высота, мм : 3580

23 850
Блок шахты лифта бетонный БШЛ 100-42 п-2 б

Длина, мм : 2270

Ширина, мм : 1300

Высота, мм : 4180

28 995
Блок шахты лифта бетонный БШЛ 100-42 п-1

Длина, мм : 2820

Ширина, мм : 1050

Высота, мм : 4180

29 530
БШЛ 50Грб-42-4

Длина, мм : 2470

Ширина, мм : 1175

Высота, мм : 4180

23 850
БШЛ 100Гр-36-1

Длина, мм : 2470

Ширина, мм : 1175

Высота, мм : 3580

22 970
БШЛ 50г-33 п-1

Длина, мм : 2820

Ширина, мм : 1050

Высота, мм : 3280

22 090
БШЛ 63б-33-2 б

Длина, мм : 2970

Ширина, мм : 1100

Высота, мм : 3280

22 720
Блок шахты лифта бетонный БШЛ 100-30 п-2

Длина, мм : 2820

Ширина, мм : 1050

Высота, мм : 2980

20 425
БШЛ 100-30-5

Длина, мм : 2270

Ширина, мм : 1300

Высота, мм : 2980

21 460
Блок шахты лифта бетонный БШЛ 50Грб-30-3

Длина, мм : 2470

Ширина, мм : 1175

Высота, мм : 2980

17 525
Блок шахты лифта бетонный БШЛ 100Гр-12-3

Длина, мм : 2470

Ширина, мм : 1175

Высота, мм : 1180

8 835
Блок шахты лифта бетонный БШЛ 50б-33-4

Длина, мм : 2970

Ширина, мм : 1100

Высота, мм : 3280

20 685
Блок шахты лифта бетонный БШЛ 50Гр-33-3

Длина, мм : 1970

Ширина, мм : 925

Высота, мм : 3280

15 950
Никита Ильин
20.01.2025
Доставили вовремя, блоки ровные, без сколов. Монтаж прошёл без нареканий, ребята на участке хвалят.
Александр Шубин
20.01.2025
Тут нашлись все необходимые размеры, что очень упростило жизнь. Ребята выручили по срокам, задержек не было. Качество, в принципе, неплохое: арматура норм, плиты без трещин
Даниил Макаров
09.01.2025
У нас был крупный заказ на спортивный объект, требовались балки повышенной несущей способности. Здесь без проблем подобрали нужный класс бетона. Вопреки страхам, удалось уложиться в бюджет.
Данила Жданов
14.01.2025
Строим крупную автостоянку, требовались дорожные плиты с высоким запасом прочности. Тут нашли нужную марку, цена устроила. Доставили оперативно, разгрузка без проблем. Плиты ровные, стыкуются плотно, так что надеюсь прослужат долго
Гарантия качества
Заменим дефектный материал или вернём деньги
Условия возврата
Доставка и самовывоз
Вы можете заказать доставку по МСК и МО или оформить самовывоз с нашего склада в Нахабино
Условия доставки и самовывоза
Оптово и розничная продажа
Мы продаём товары как в розницу, так и оптом. В зависимости от объёмов заказа мы предоставляем клиентам персональные скидки

Выберите удобный способ оплаты

Оплата банковской картой
Наличными на объекте
Безналичный расчёт

Адреса

Режим работы складов: 8:00 - 21:00
Офис:
Новая улица, 11с4, Нахабино
График работы офиса:
Ежедневно: 8:00 - 21:00
Номер телефона контактного центра:
+7 (495) 118-92-43
Почта для связи:
stroym@zbi-500.ru